Laboratorio Gezzi

Servicios críticos

Sistema de aire (HVAC)

El sistema instalado nos permite cumplir con las especificaciones de la norma ISO 14644 Clase 8 (Disposición ANMAT 4159/23, Clase D), tanto en reposo como en operación.

Las presiones de las diferentes áreas se encuentran monitoreadas de manera continua, con sistema de alertas, para garantizar el flujo de aire permanentemente. 

Esto sumado a la existencia de esclusas de materiales, doble vestuario de personal, y pasa materiales, en todos los casos con interbloqueo de puertas nos permite reducir al mínimo el riesgo de contaminaciones cruzadas.

Osmosissinlogo

Aire comprimido

Contamos con compresores para generar aire comprimido requerido en los procesos, libre de aceite. El sistema contempla filtros absolutos y caolescentes en los puntos de uso críticos.

ImagenesLaboratoriodeapoyo34-1024x297

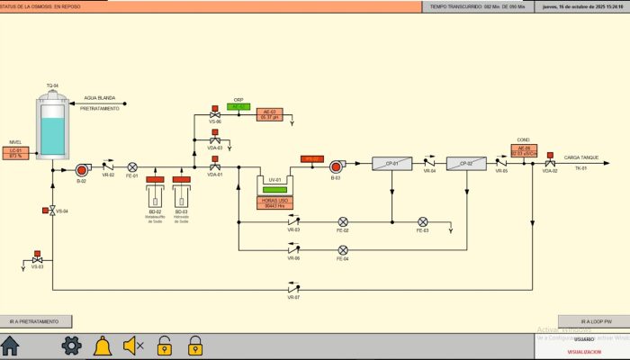
Agua Purificada (PW)

El agua purificada utilizada en los procesos es obtenida por un sistema de ósmosis inversa de doble paso, almacenada en un tanque sanitario calefaccionado y distribuida a los puntos de uso a través de un loop de distribución.

Tanto el tanque de almacenamiento como el loop son calefaccionados y mantenidos permanentemente a una temperatura superior a los 70°C, con el agua purificada en constante circulación. 

El sistema se encuentra monitoreado de manera continua, con sistema de alertas, alarmas y acceso remoto al mismo permitiendo realizar correcciones de manera no presencial y en tiempo real. Esto nos asegura la continuidad de la calidad del agua purificada.

Suministro eléctrico

Contamos con un generador eléctrico que, en caso de corte del suministro, nos permite continuar con el proceso evitando riesgos para el producto y asegurando el cumplimiento de los compromisos asumidos, como así también de los estándares de calidad.

 

Nuestro compromiso, siempre cerca tuyo.